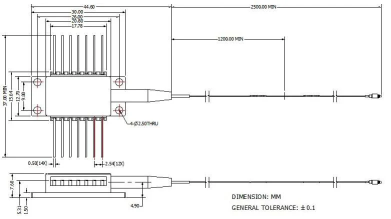
1653 nm 40 mW laserska dioda DFB za senzor metana CH4 Sensing uporablja planarno konstrukcijo s čipom na nosilcu. Visokozmogljivi čip je hermetično zaprt v ohišju s 14 nožicami brez epoksidov in fluksa ter opremljen s termistorjem, termoelektričnim hladilnikom in nadzorno diodo za zagotavljanje visokokakovostnega delovanja laserja. Naši laserski izdelki so kvalificirani za Telcordia GR-468 in v skladu z direktivami RoHS.
1653 nm 40 mW laserska dioda DFB za senzor metana CH4 Sensing uporablja planarno konstrukcijo s čipom na nosilcu. Visokozmogljivi čip je hermetično zaprt v ohišju s 14 nožicami brez epoksidov in fluksa ter opremljen s termistorjem, termoelektričnim hladilnikom in nadzorno diodo za zagotavljanje visokokakovostnega delovanja laserja. Naši laserski izdelki so kvalificirani za Telcordia GR-468 in v skladu z direktivami RoHS.
Industrijski standardni paket s 14 nožicami v obliki metulja;
Vgrajen TEC in optični izolator;
Visokozmogljiv laser s porazdeljeno povratno zvezo (DFB) z večkvantnimi jami (MQW).
Testiranje proizvodnje pasivnih komponent za detekcijo plina;
Sistem za zaznavanje plina iz vlaken;
Laserski viri.
| Parameter | Simbol | Pogoj | Min. | Tip. | Maks. | Enota |
| Središčna valovna dolžina | λc | TL=15~35℃ CW | 1652.7 | 1653.7 | 1654.7 | nm |
| Optična izhodna moč | Po | CW | - | 40 | - | mW |
| LD Mejni tok | ITH | CW | - | 15 | 40 | mA |
| LD Predhodni tok | če | Pf = nazivna moč | - | 300 | 400 | mA |
| Optična izolacija | - | -10 < TC < +70 ℃ | 30 | - | - | dB |
| Razmerje zatiranja stranskega načina | SMSR | CW | 35 | 40 | - | dB |
| Spremljajte odzivnost | Jaz /Pf | - | - | 1 | 20 | uA/mW |
| Spremljajte stabilnost odzivnosti | - | - | - | - | 20 % | - |
| Spremljajte temni tok | Id | VPD = 5V | - | - | 50 | nA |
| TEC tok | ITEC | Primer = 75 ℃ | - | - | 2 | A |
| TEC napetost | VTEC | Primer = 75 ℃ | - | - | 3.5 | V |
| Poraba energije TEC | P | Tstg =25 ℃ | - | - | 5 | W |
| Odpornost termistorja | Rth | Primer = 75 ℃ | 9.5 | 10 | 10.5 | Kohm |
| Termistor B konstanta | Bth | Tstg =25 ℃ | - | 3900 | - | K |
| Premik valovne dolžine (EOL) | △λ | Preizkušeno v 25-letni življenjski dobi | - | - | ±0,1 | nm |
| Valovanje. Temperaturni koeficient | Δλ/ΔT | TEC temperatura od 15 ℃ do 35 ℃ | - | 0.09 | - | nm/℃ |
| Koeficient valovnega toka | Δλ/ΔI | - | - | 0.01 | - | nm/mA |

Vsi izdelki so bili testirani pred odpremo;
Vsi izdelki imajo 1-3 letno garancijo. (Po garancijskem obdobju kakovosti so začeli zaračunavati ustrezno pristojbino za vzdrževanje.)
Cenimo vaše poslovanje in ponujamo takojšnjo politiko vračila v 7 dneh. (7 dni po prejemu artiklov);
Če predmeti, ki jih kupite v naši trgovini, niso popolne kakovosti, to pomeni, da ne delujejo elektronsko v skladu s specifikacijami proizvajalca, nam jih preprosto vrnite za zamenjavo ali vračilo denarja;
Če so predmeti pokvarjeni, nas obvestite v 3 dneh po dostavi;
Vsi predmeti morajo biti vrnjeni v prvotnem stanju, da so upravičeni do vračila ali zamenjave;
Kupec je odgovoren za vse nastale stroške pošiljanja.
V: Kakšna je natančnost valovne dolžine?
A: +/-0,5 nm.
V: Ali imate druge različice izhodne moči?
A: 10mW, 15mW, 50mW.
1512nm 10mW DFB 14PIN metuljev laser za zaznavanje NH3
1392nm DFB metulj laserska dioda za zaznavanje vlage H2O
1653nm DFB Butterfly laserska dioda za zaznavanje CH4
1567nm DFB Butterfly laserska dioda za zaznavanje CO
1578nm 10mW DFB laserska dioda za odkrivanje vodikovega sulfida
1580nm DFB metulj laserska dioda za zaznavanje CO2Avtorska pravica @ 2020 Shenzhen Box Optronics Technology Co., Ltd. - Kitajska, moduli z optičnimi vlakni, proizvajalci laserjev s sklopi vlaken, dobavitelji laserskih komponent Vse pravice pridržane.