1550nm 25DB SOA Polprevodniški optični ojačevalnik
  • 1550nm 25DB SOA Polprevodniški optični ojačevalnik 1550nm 25DB SOA Polprevodniški optični ojačevalnik
  • 1550nm 25DB SOA Polprevodniški optični ojačevalnik 1550nm 25DB SOA Polprevodniški optični ojačevalnik
  • 1550nm 25DB SOA Polprevodniški optični ojačevalnik 1550nm 25DB SOA Polprevodniški optični ojačevalnik
  • 1550nm 25DB SOA Polprevodniški optični ojačevalnik 1550nm 25DB SOA Polprevodniški optični ojačevalnik

1550nm 25DB SOA Polprevodniški optični ojačevalnik

1550Nm 25DB SOA polprevodniški optični ojačevalnik serije izdelkov, se uporablja predvsem za optično amplifikacijo signala in lahko znatno poveča izhodno optično moč. Izdelki odlikujejo visok dobiček, nizka moč Potrošnica in vzdrževanje polarizacije med drugimi značilnostmi in sta v celoti obdelovalna z domačo nadzorovalno tehnologijo.

Pošlji povpraševanje

Opis izdelka

1550Nm 25DB SOA polprevodniški optični ojačevalnik serije izdelkov, se uporablja predvsem za optično amplifikacijo signala in lahko znatno poveča izhodno optično moč. Izdelki imajo med drugimi značilnostmi visok dobiček, nizko porabo energije in vzdrževanje polarizacije in so v celoti obdelani s tehnologijo, ki jo je mogoče nadzorovati.


Značilnost

● 40G in 100G C-Band Blokiranje zaklopa ali modulacije;
● paket 14pin metuljev;
● nizka številka hrupa in nizka odvisnost od polarizacije;
● PM1550 vlakna s konektorjem FC/APC.
● Zanesljivost: Telcordia GR-468. Rohs


Aplikacija

● Nadomestilo izgube za optično povezavo in stikalo vlaken
● Optična omrežja vlaken WDM;
● MOPA (Glavni ojačevalnik moči Oscilator) Laser;


Elektro-optične značilnosti (t = 25 ℃)

Parameter Simbol Stanje Min. Tip. Max. Enota
Delovna valovna dolžina lpeak 25 ℃, pin = 0dbm - 1550 - nm
ASE Srednja valovna dolžina naj 25 ℃, če = 1000mA - 1490 - nm
-3db pridobi pasovno širino Δl Pin = -10dbm, če = 1000MA - 100 - nm
Optična moč nasičenosti PMAX Če = 1000MA,
Pin = 5dbm@1550nm
- 23 - DBM
Majhen dobiček signala SSG Če = 1000MA,
Pin = -25dbm@1550nm
30 35 - db
Delovni tok Če - - 1000 1200 ma
Naprej napetost Vf - - 2.4 2.6 V
Slika hrupa Nf 25 ℃, če = 1000mA, @1550nm - 6 8 db
Obrok izumrtja Je Če = 1000MA/če = 0mA,
Pin = 0dbm
- 35 - db
Tec tok LTEC - - - 1.8 A
Napetost TEC Vtec - - 400 3.4 V
Rezisiranje termistorja Rtherm T = 25 ℃ 9.5 10 10.5
Termistorski tok ltherm - -2 - 5 ma
Skupna moč P - - - 4 w
Temperatura delovanja Na vrh I = če -10 - 70
Temperatura skladišča Ts - -40 - 85


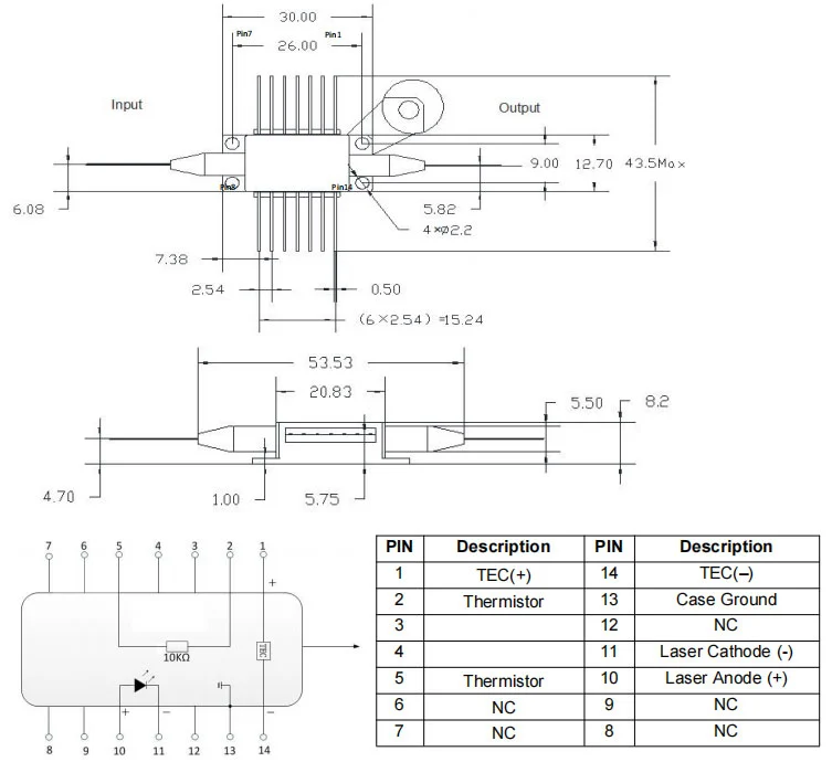
Risba in definicija paketov (enota: mm):

1550nm 25db Soa Semiconductor Optical Amplifier


Tipična značilna krivulja

1550nm 25db Soa Semiconductor Optical Amplifier

1550nm 25db Soa Semiconductor Optical Amplifier


Dostavi, pošiljanje in postrežbo

Vsi izdelki so bili preizkušeni pred pošiljanjem;

Vsi izdelki imajo 1 leto garancije (potem, ko je obdobje jamstva za kakovost začelo zaračunati ustrezne pristojbine za vzdrževanje.)

Cenimo vaše podjetje in ponujamo takojšnjo 7 -dnevno politiko donosa. (7 dni po prejemu predmetov);

Če predmeti, ki jih kupite v naši trgovini, niso izpopolnjene kakovosti, to je, da ne delajo v elektronski obliki za specifikacije proizvajalcev, jih preprosto vrnite za zamenjavo ali vračilo;

Če so predmeti pokvarjeni, nas obvestite v 3 dneh po dostavi;

Vse postavke je treba vrniti v prvotnem stanju, da se lahko kvalificirajo za vračilo ali zamenjavo;

Kupec je odgovoren za vse nastale stroške pošiljanja.


1550nm 25db Soa Semiconductor Optical Amplifier


Pogosta vprašanja

V: Kakšna je valovna dolžina, ki jo potrebujete?

O: Imamo 1550nm 1310nm 1270nm 1060nm SOA lasersko diodo.


V: Kakšna je zahteva za izhodno moč?

O: Box Optronics se lahko prilagodi glede na vaše zahteve.


Hot Tags: 1550nm 25DB SOA Polprevodniški optični ojačevalec, proizvajalci, dobavitelji, veleprodajni, tovarniški, prilagojeni, razsuti, Kitajska, narejena na Kitajskem, poceni, nizka cena, kakovost, kakovost

Povezana kategorija

Pošlji povpraševanje

Prosimo, oddajte svoje povpraševanje v spodnjem obrazcu. Odgovorili vam bomo v 24 urah.
X
Piškotke uporabljamo, da vam ponudimo boljšo izkušnjo brskanja, analiziramo promet na spletnem mestu in prilagodimo vsebino. Z uporabo te strani se strinjate z našo uporabo piškotkov. Politika zasebnosti
Zavrni Sprejmi